Principe de fonctionnement
injecteurs de vapeur

Le principe de fonctionnement d'un injecteur de vapeur

Un injecteur de vapeur peut «chauffer et mélanger» ou il peut être utilisé pour refroidir la vapeur surchauffée.
Schematic steaminjector
  • 1
  • 2
  • 3
  • 4
  • 5

Réchauffer et mélanger

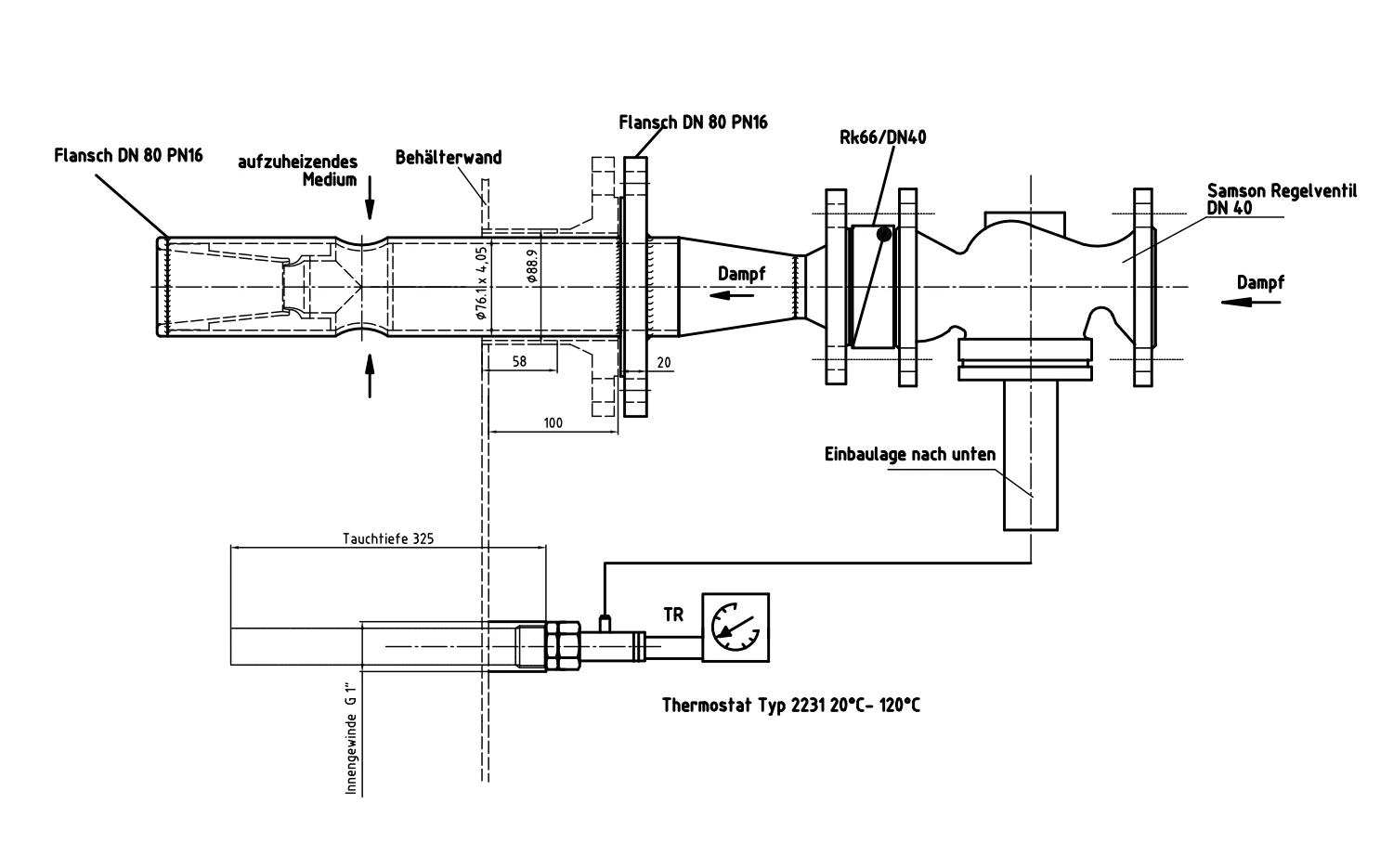
L'injecteur de vapeur dispose de 3 connexions, une pour l'alimentation du fluide à chauffer, une pour l'alimentation en vapeur et une pour la sortie. L'injecteur de vapeur est équipé d’un cône selon le principe Venturi pourvu d'un interstice annulaire pour la vapeur. La vapeur s'écoule dans l'espace triangulaire à travers l’interstice annulaire du venturi et y forme comme une enveloppe autour du liquide. La vapeur se condense directement dans le venturi, empêchant l’apparition de bulles d'air et de coups de bélier. Dans le venturi, le fluide est intensément mélangé à la vapeur et chauffé.

Le rapport vapeur/fluide à chauffer peut être réglé progressivement et en continu entre 0 et 100%. Le débit optimal du fluide est de 0,8 à 3,0 m/sec. Le débit est limité en installant un régulateur de pression.

Refroidissement

L'injecteur de vapeur peut également être utilisé pour refroidir la vapeur surchauffée. La vapeur circule à travers le venturi et l'eau froide est ajoutée à travers l’interstice annulaire. L'alimentation en eau froide est réglée via une commande dépendant de la température, de sorte que la température finale souhaitée
puisse être atteinte.

Choix du bon
modèle

  1. Pour déterminer le bon modèle, les informations suivantes sont requises :
  • pression de vapeur disponible, en bar (g)
  • capacité de vapeur disponible en kg/heure
  • température initiale du fluide à chauffer
  • température finale désirée du fluide à chauffer
  • pression du fluide à chauffer, en bar (g)
  • temps de chauffage souhaité en minutes
  • diamètre nominal de la conduite en mm (DN) pour alimentation au fluide à chauffer
  • débit en litres/heure du fluide à chauffer (pour montage en ligne ou boucle)
  • diamètre nominal de la conduite en mm (DN) pour alimentation vapeur
  • contenu du réservoir avec fluide à chauffer (lors du montage dans le réservoir)
  1. Envoyez-nous les informations ci-dessus par email ou fournissez-les nous par téléphone. Vous recevrez notre proposition immédiatement avec le ou les injecteur(s) de vapeur adéquat(s).

Choix du matériau

Tous les injecteurs de vapeur sont entièrement réalisés en acier inoxydable AISI316 Ti ou AISI321. Disponible sur demande dans des matériaux spéciaux tels que Hastelloy, Monel, PTFE ou avec un revêtement spécial selon les spécifications du client.

Exemple de commande

Une Injecteur de vapeur pour raccord d'eau DN 65 et raccord vapeur DN 25 avec raccord à bride libre, pression nominale PN16, matériau de l’injecteur acier inoxydable 1.4541, matériau des brides de raccordement C22.8 conformes à la norme DIN :

Type RLF 65/25, PN 16/16                       
Numéro de commande = D-RLF-6525-16-41-22

D         = version des raccords / brides selon DIN ou ASA

RLF      = version de l’injecteur, RLF = version avec brides libres et tournantes

6525   = passage nominal = eau DN65 et vapeur DN25

16        = classe de pression nominale des injecteurs et des brides de raccordement = PN16 ou PN25, PN40

41        = matériau de l’injecteur = acier inoxydable 1.4541 ou 1.4571

22        = matériau des brides de raccordement = C 22,8 ou 1.4571

Prenez contact avec nous

Netherlands

Cette adresse e-mail est protégée contre les robots spammeurs. Vous devez activer le JavaScript pour la visualiser.

France

Cette adresse e-mail est protégée contre les robots spammeurs. Vous devez activer le JavaScript pour la visualiser.

United Kingdom

Cette adresse e-mail est protégée contre les robots spammeurs. Vous devez activer le JavaScript pour la visualiser.

Rest of Europe

Cette adresse e-mail est protégée contre les robots spammeurs. Vous devez activer le JavaScript pour la visualiser.

Adresse

Samuel de Marezhof 18
NL-3953 CH MAARSBERGEN
Netherlands

BTW nr.: NL867166332B01
KVK nr.: 95524754

Tel: +31 (0) 343785630
Partner: www.matec.nl